Pressure Tank Systems

NOTE

>>Our right to change the dimensions is reserved.

>>
Manufacture is made according to project dimensioning.

>>
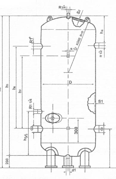
We have manufactures of horizontal packet type pressure tanks.

>>
We also have modular water tanks manufacture. (Hot deep galvanized, cylindrical type)


Mounting and Handling Instructions

>> Mounting of SUKAL Silent Pressure Packet Tanks is easy.
>> Floor of the SUKAL Packet Silent Tanks must be at a level higher than the hydrophore floor.
>> In case water in the water tank run out, a water level electrical floater which fits the trigger must be mounted on the water tank, in order to prevent waterless operation of the pump.
>> Make sure that you fasten a strainer on the clean water inlet line of the pump, and vane+checkvalve on the outlet line of the hydrophore (pressure tank).
>> Inside and outside surface of the pressure tanks are coated with hot deep galvanize. The pump is of horizontal type special construction and its vibration is low and silent.
>> SUKAL pressure tanks have air injection. Automatic air injector fills the air that must be in the hydrophore and provides safe operation of the hydrophore by discharging the excessive air in it by discharge float.
>> SUKAL pressure tanks are equipped with safety valve against excessive pressure, and operate full-automatically, and provides with continuous water.



Web Design : Magnet Web